[44+] Yamaha Dt 125 R , Schaltplan Yamaha Wr 125. Wr 125 X R Sch Ma Lectrique. Schaltlplan
Yamaha Dt 125 R Schaltplan [yamaha Dt 125]
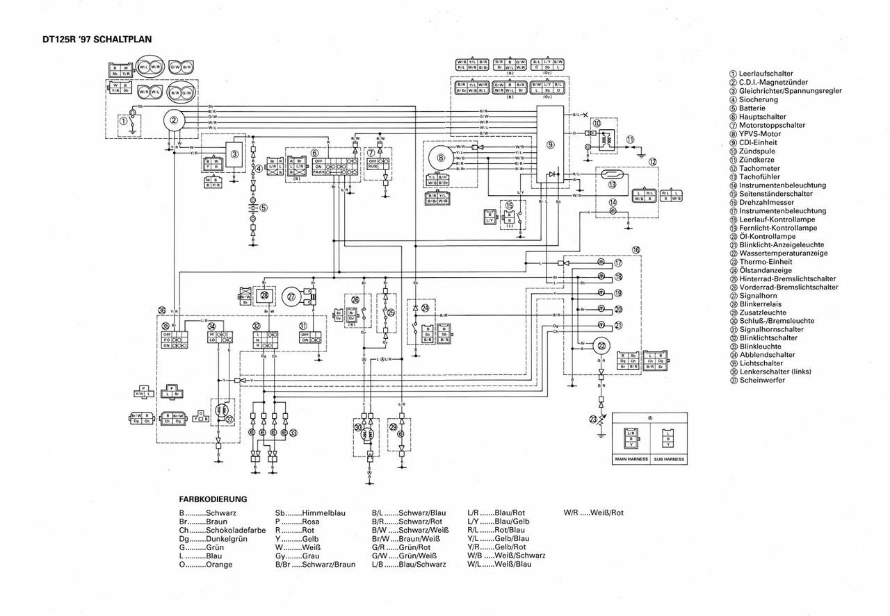
If you are {looking for|searching about} [Yamaha DT 125] - Probleme mit LED Blinker - 125er-Forum.de you've {came|visit} to the right {place|web|page}. We have 13 {Pics|Pictures|Images} about [Yamaha DT 125] - Probleme mit LED Blinker - 125er-Forum.de like Blinker-Problem bei Yamaha DT 80 MX/S - Elektronik-Forum, Schaltplan Yamaha Dt 125 - Wiring Diagram and also Yamaha DT 125 Tuning Blog - WR 200 - DT 230 Lanza: Schaltpläne. {Read more|Here you go|Here it is}:




![[Yamaha DT 125] - Probleme mit LED Blinker - 125er-Forum.de](https://image-proxy.forumhome.com/5828d080894823261c8adfbf652397d90c1fe498?url=http:%2F%2Fup.picr.de%2F23884638up.jpg)
Komentar
Posting Komentar